?

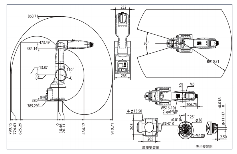
美斯圖自主研發的六軸工業機器人 :
1. 特殊的手腕關節設計;
2. 高強度、高速度、高精度;
3. 配合視覺,實現高效率定位作業;
4. 擁有驅控技術,高精度、高效率、高柔性;
5. 結構緊湊,適應各種嚴苛作業空間;
6. 本體高防護性能,應對各種惡劣作業環境;
7. 碰撞檢測埃斯頓自主研發的六軸工業機器人 :
1. 特殊的手腕關節設計;
2. 高強度、高速度、高精度;
3. 配合視覺,實現高效率定位作業;
4. 擁有驅控技術,高精度、高效率、高柔性;
5. 結構緊湊,適應各種嚴苛作業空間;
6. 本體高防護性能,應對各種惡劣作業環境;
7. 碰撞檢測功能。


美斯圖機器人精度更高,速度更快,完美適用于3C行業的搬運、裝配、錫焊、擰螺絲等,以及汽車零部件等行業的快速搬運、配合加工等。同時也是高校教學的寵兒,可選配拖動示教、電子皮膚安全模式等功能。
